Η πνευματική βαλβίδα ελέγχου ροής μικρού χιτωνίου διαφράγματος σχεδιάζεται και κατασκευάζεται σύμφωνα με τα διεθνή πρότυπα και μπορεί επίσης να προσαρμοστεί σύμφωνα με τις απαιτήσεις του χρήστη. Επιπλέον, η πνευματική βαλβίδα ελέγχου ροής χιτωνίου μικρού φιλμ μπορεί επίσης να ελεγχθεί από υπολογιστές, PLC και άλλα συστήματα αυτόματου ελέγχου για την επίτευξη αυτόματου ελέγχου.

Χαρακτηριστικά
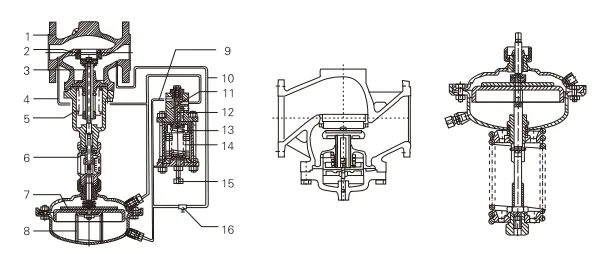
1. Συμπαγής δομή: Η βαλβίδα διαθέτει συμπαγή σχεδιασμό, βελτιστοποιώντας τη χρήση του χώρου διατηρώντας παράλληλα στιβαρή λειτουργικότητα.
2.Ελαφριά και ευέλικτη λειτουργία: Η ελαφριά κατασκευή του επιτρέπει γρήγορες και ευέλικτες ενέργειες ανοίγματος και κλεισίματος, ενισχύοντας τη λειτουργική απόδοση.
3. Εύκολη συντήρηση: Σχεδιασμένη για ευκολία, η βαλβίδα διαθέτει απλοποιημένες διαδικασίες συντήρησης, ελαχιστοποιώντας το χρόνο διακοπής λειτουργίας και εξασφαλίζοντας συνεχή λειτουργία.
4.Εσωτερική δομή μη ισορροπημένης κορυφής οδηγού με κλωβό ταχείας απελευθέρωσης: Ενσωματώνοντας μια καινοτόμο εσωτερική δομή με μη ισορροπημένο κορυφαίο οδηγό και σχεδιασμό κλωβού ταχείας απελευθέρωσης, αυτή η βαλβίδα προσφέρει αποτελεσματική και γρήγορη απόδοση, εξασφαλίζοντας απρόσκοπτη λειτουργία και συντήρηση.
Πρότυπα
Πρότυπο σχεδίασης: ANSI B16.34, API 6D, ISO 5208, DIN 3356, JIS B2071, BS 1873, GB/T 12237, GB/T 12238, EN 593,
Πρότυπο ενεργοποιητή:ANSI/ISA-75.25, BS EN ISO 5211, GB/T 12222, JB/T 9093, JB/T 8861
Συχνές ερωτήσεις
1.Εάν προβλήματα ποιότητας, πώς λύνετε;
Προσπαθούμε να παρέχουμε καλά και σωστά υλικά στην αρχή, ώστε να μειώσουμε τον χρόνο για ποιοτικά προβλήματα. Εάν υπάρχει πρόβλημα ποιότητας, αναλαμβάνουμε την ευθύνη. Πιστεύουμε ότι η ποιότητά μας είναι εκεί για να τη δουν όλοι.
Βασικές παράμετροι απόδοσης
|
Μοντέλο |
Ονομαστική διάμετρος DN(mm) |
Διαφορά πίεσης σχεδιασμού △P(MPa) |
Μεγάλη περιοχή κυκλοφορίας (cm2) |
Εφαρμοστέα μέσα |
Βαθμός θερμοκρασίας λειτουργίας |
Ταξίδι εργασίας (mm) |
Ροή μάζας (t/h) |
Ηλεκτρικός ενεργοποιητής |
|
|
20 |
4.5 |
4.87 |
Νερό Ατμός |
425 |
16 |
15 |
SKZ-310 |
|
25 |
4.5 |
5.3 |
16 |
18 |
||||
|
32 |
4.5 |
5.9 |
16 |
21 |
||||
|
40 |
3.92 |
6.38 |
25 |
28 |
||||
|
50 |
3.92 |
6.83 |
25 |
35 |
||||
|
80 |
3.7 |
9.57 |
40 |
55 |
SKZ-410 |
|||
|
100 |
3.7 |
15.2 |
40 |
100 |
||||
|
150 |
3.32 |
21.4 |
60 |
190 |
SKZ-510 |
|||
|
175 |
3.32 |
29.83 |
60 |
280 |
Δημοφιλείς Ετικέτες: πνευματική βαλβίδα ρύθμισης ροής χιτώνιο μικρού διαφράγματος, Κίνα κατασκευαστές βαλβίδων ρύθμισης ροής χιτώνιο μικρού διαφράγματος, κατασκευαστές, προμηθευτές, εργοστάσιο











